Table of Contents
Die GCA-Module
Inhalt → Hardware → GCA-Erweiterungseinheiten
| Von Peter Giling |
|---|
Die Entwicklung technischer Baugruppen für Modelleisenbahnen hat bei mir eine lange Geschichte.
Normalerweise hatte ich nicht viel Zeit dafür, weil ich um die Welt reiste, um meinen Job zu machen.
Aber nach dieser Zeit fand ich heraus, daß viele Teile, die auf dem Markt für Modellbahn-Ausstattung verfügbar sind, sehr teuer, nicht gut oder manchmal beides sind.
Langsam begann ich über eigene Entwicklungen nachzudenken und fand heraus, daß andere gleich dachten, sowohl für Hardware als auch für Software.
Ein extrem gutes Beispiel ist die hier zu sehende Webseite : Rocrail.
Aber auch Rocrail ist nichts - excusez le mot, Rob! - ohne gut funktionierende Hardware.
Und weil ich ein Mitglied der Modelspoor Groep Venlo (MGV) war, wurden die Produkte meiner Gedanken langsam MGVxx genannt, später alle zusammen dann MGV-Familie und seit Ende 2011 GCA-Familie.
Nach dem Versuch, das Rad neu zu erfinden - schrittweise mit Enttäuschungen - beschloß ich mit LocoNet zu beginnen, ehrlicherweise durch den Ratschlag eines MGV-Mitglieds, der schon Erfahrung mit LocoNet-Material hatte.
Tatsächlich sind in der GCA-Familie nur einige wenige strikt für LocoNet bestimmt.
Der ganze Rest sind mit LocoNet-Baugruppen verbundene Schnittstellen und machen das Modellbahnleben schöner.
Ein Klopfen auf meine Schulter ist, daß einige Rocrail-Initiatoren und viele Benutzer, die GCAxx-Baugruppen verwenden, meinen Enthusiasmus teilen.
Die Verwendung von Schnittstellen der GCA-Familie ist nicht auf LocoNet beschränkt.
Diese Schnittstellen sind auch sehr gut überall sonst in anderen System verwendbar.
Alle diese Geräte wurden von mir selbst als Leiterplatte hergestellt, montiert und getestet.
Wo immer es möglich oder erforderlich war, habe ich andere Leute gebeten mir beim testen und verbessern zu helfen.
Dafür geht spezieller Dank an Christian Wichmann, Fred Jansen, Rob Versluis und an die Mitglieder der Modelspoor Groep Venlo für die Hilfe und Geduld, wenn etwas nicht funktionierte, wie es vom ersten Versuch erwartet wird.
Zusammen machten wir die Baugruppen zu einem Top-Hit!
Weil die MGV viele dieser Geräte brauchte, sind einige der Platinen fabrikgefertigt.
Fabrikgefertigte Platinen sind doppelseitig, mit Lötmaske, durchkontaktiert und bedruckt.
Sie sind zu einem günstigen Preis erhältlich. Info's hier: www.phgiling.net
Gegen Ende des Jahres 2010 war der Erfolg der Platinen immer größer geworden, wodurch die Notwendigkeit bestand, ein kleines Geschäft dafür zu finden.
Das initiierte auch die Notwendigkeit zur Trennung von MGV aus diesem Geschäft.
Zwischenzeitlich sind die Module von MGVxx nach GCAxx umbenannt worden.
LocoNet(r)-Eigenschaften
LocoNet, eine Entwicklung von Digitrax, ist ein sehr zuverlässiges System für die Steuerung aller Komponenten auf und neben einer Modellbahnanlage.
Modelspoor Groep Venlo (MGV) hatte sich für LocoNet entschieden und steuert eine Vielzahl von Modulen.
Diese Module wurden mit der selben Größe wie M-Track in den Niederlanden begonnen, aber geringfügig andere Maße wurden verwendet.
Wie auch immer, das Hauptgleis paßt dennoch zum M-Track.
Wie bei M-Track und FREMO können diese Module in variabler Reihenfolge kombiniert werden. Das war ein schwerwiegendes Problem, weil wir da noch in unserer 'S88-Epoche' waren.
Mit LocoNet erhält jeder Sensor eine eigene Nummer, egal wo er sich auf der Anlage/im Layout befindet.
Die LocoNet-Module basieren auf einem Design von John Jabour.
MGV hat sich dafür entschieden, die Standard LocoNet-RJ12-Steckverbindungen durch die preiswerten und robusten D-SUB-Verbinder zu ersetzen.
Der Grund dafür war:
1.) Die Geräte müssen viele Male verbunden und getrennt werden, wofür RJ12-Steckverbinder nicht geeignet sind.
2.) MGV wollte gerne Stromversorgung über das Kabel führen, während Railsync nicht erforderlich war.
Zwei der LocoNet-Geräte sind geeignete Stromversorgungen in Verbindung mit dem LocoBuffer (GCA85 u. GCA101).
Die GCA-Kabel- und Stecker-Belegung bietet auch separate Leitungen für den Transport des Railsync-Signals.
Verfügbare GCA-Platinen und Bauteilsätze
Alle Platinen der GCA-Produktfamilie sind in erste Linie für Selbstbau gemacht.
Viele Platinen können für kaum mehr als den Selbstkostenpreis geliefert werden.
Ebenso programmierte Prozessoren und komplette Teile-Sätze.
Diese Platinen sind durchkontaktiert, mit Lötmaske und Bestückungsaufdruck für sehr einfache Montage ausgführt.
Bei Interesse findet sich eine Liste verfügbarer Platinen und Bausätze auf der GCA-Webseite: www.phgiling.net
Hinweise für den Aufbau der Baugruppen
- Grundsätzlich immer mit den IC-Sockeln beginnen.
Speziell bei den NICHT industriell gefertigten Platinen ist es sehr wichtig, dass einige der Stifte auch an der Oberseite verlötet werden müssen. - Alle Widerstände - außer den großen 5W-Typen - platzieren und verlöten.
Professionelles Vorgehen dabei ist es, zunächst die Drähte auf die erforderliche Länge abzuschneiden.
Der einfache Weg ist immer, die Widerstände zu platzieren und die Oberseite zu verlöten.
Danach können die Drähte auf der Unterseite abgeschnitten werden, aber mit Vorsicht: NICHT in die Lötung schneiden, weil dabei die gedruckte Schaltung ernsthaft beschädigt werden kann. - Alle Kondensatoren - Elko's zuletzt - platzieren und verlöten.
- Dann können alle anderen Teile montiert werden.
- Vor dem Einsetzen der IC's in die Sockel die korrekte Spannung überprüfen, wie 3,3V oder 5V, die von den Regler-IC's kommen.
- Bei Regler- u. H-Brücken-IC's, die auf einem Kühlkörper befestigt werden sollen - wie bei ORD-3, GCA101 und GCA145 - sollte es so erfolgen:
a. Montage des Kühlkörpers an seinem Platz
b. Einsetzen der Regler- u. H-Brücken-IC's, ohne sie jetzt zu verlöten.
c. Klammern für die Befestigung der Regler- u. H-Brücken-IC's auf dem Kühlkörper verwenden.
d. Die korrekte Positionierung der Regler- u. H-Brücken-IC's überprüfen und jetzt erst verlöten.
Komplettes Handbuch (englisch)
Dieses Handbuch ist ständig in Arbeit, um es jederzeit aktuell zu haben, wenn man etwas über GCA-Geräte wissen will.
Die komplette GCA-Familie, aufgeteilt in Gruppen
LocoBuffer
| Geräte-Typen-Nr. | Schnittselle | Als Platine oder Bausatz erhältlich |
|---|---|---|
| GCA85 | RS232 | Ja |
| GCA85USB | USB | Ja |
| GCA101 | Ethernet UDP-Multicast | Ja |
Von einem dieser Geräte wird nur eines benötigt.
LocoIO
| Geräte-Typen-Nr. | Beschreibung | verbunden mit | Als Platine oder Bausatz erhältlich |
|---|---|---|---|
| GCA50 | 16bit-Ein-/Ausgänge. Es bietet 16 programmierbare Ein-/Ausgangs-Leitungen. | D-SUB-GCA-LocoNet® | Ja |
| GCA500 | Genau wie GCA50 aber mit beide Stecker Optionen | D-SUB-GCA-LocoNet® RJ12 Verbinder | Ja |
| GCA51 | 2 Fach RFID Schnittstelle | D-SUB-GCA-LocoNet | ja |
| GCA123 | Mobiles LocoNet-Schaltfeld | LocoNet® (RJ12-Verbinder) | Ja |
| GCA124 FREDI | Mobiler LocoNet-Handregler | LocoNet® (RJ12-Verbinder) | Ja |
| GCA141 | 8-fach Rad-/Achs-Zähler | D-SUB-GCA-LocoNet® | Ja |
Schnittstellen für Rückmeldungen von Sensoren und Schaltern
| Geräte-Typen-Nr. | Beschreibung | verbunden mit | Als Platine oder Bausatz erhältlich |
|---|---|---|---|
| GCA93 | Stromdetektoranzeige mit Kurzschluß- u. Aktivitätsanzeige | GCA50 / CAN-GC2 GCA_Pi02 | Ja |
| GCA94 | Verlustfreie Stromdetektor Module mit 8 von einander isolierte Anschlüsse | GCA50 / CAN-GC2 / GCA_Pi02 | Ja |
| GCA128L | Schalter/Drucktaster-Einheit für GCA50 | GCA50 / CAN-GC2 | Ja |
| GCA133 | Vierfach Infrarot-Lichtschranke oder -Reflektionssensor | GCA50 / CAN-GC2 GCA_Pi02 | Ja |
Schnittstellen für Bewegungen (Weichen usw.) oder Schalten von Leistungen
| Geräte-Typen-Nr. | Beschreibung | verbunden mit | Als Platine oder Bausatz erhältlich |
|---|---|---|---|
| GCA76 | Treibt 4 Standard-Weichen mit Hochstrom-Spulen (1,5A) wie Märklin C-Weichen | GCA50 / CAN-GC2/ GCA_PI02 / GCA_PI03 | Ja |
| GCA77 | Treibt 4 Standard-Weichen mit Spulen, auch zum Schalten von Funktionen | GCA50 / CAN-GC2 / GCA_PI02 / GCA_PI03 | Ja |
| GCA78 | Treibt 4 Weichen mit Motoren vom Typ Hoffmann oder Conrad | GCA50 / CAN-GC2/ GCA_PI02 | Nein |
| GCA116 | Motortreiber für Brücken, Schranken usw. | GCA50 / CAN-GC2 / GCA_PI02 | Nein |
| GCA120 | Hochlast-Relaiseinheit | GCA50 / CAN-GC2/ GCA_PI02 | Nein |
| GCA125 | Treiber für 8 Weichen mit Motor-/Einspulenantrieb | GCA50 / CAN-GC2 / GCA_PI02 | Ja |
| GCA126 | Treibt 4 Weichen mit einfacher (polarisierter) Spule oder DC-Motor, mit Rückmeldung | GCA50 / CAN-GC2 / GCA_PI02 | Nein |
| GCA136 | Treibt 4 Servomotoren für Weichen. Bietet Rückmeldungen und hat Standard-Relais für Herzstück-Polarisierung mit zusätzlichem GCA137 | GCA50 / CAN-GC2 / GCA_PI02 oder eigenständig | Ja |
| GCA136 | Mit einem anderen Programm ist die Handhabung eines Bahnübergangs mit Schranken möglich. | GCA50 / CAN-GC2 / GCA_PI02 oder eigenständig | Ja |
| GCA168 | Schnittstelle für 4 Boehler WA2-Weichen-Treiber mit Rückmeldung und Hochstrom-Polarisierungs-Schalter. | GCA50 / CAN-GC2 / GCA_PI02 | Nein |
| GCA173 | 8-Fach Hall-sensor Schnittstelle | GCA50 / CAN-GC2 / GCA_PI02 | Ja |
| GCA81,GCA84 und GCA84s | Alle durch GCA136/137 ersetzt Für Schaltpläne bitte E-Mail: peter.giling@rocrail.net | GCA50 / CAN-GC2 / GCA_PI02 | Nein |
Schnittstellen für LED-Signalisierung
LED's brauchen eigentlich keine Schnittstelle.
Sie können direkt an GCA50 / CAN-GC2 / GCA_PI02 angeschlossen werden.
Die Artikel beschreiben, warum es diese Einheiten gibt.
| Geräte-Typen-Nr. | Beschreibung | verbunden mit | Als Platine oder Bausatz erhältlich |
|---|---|---|---|
| GCA86 | LED-Dimmer | GCA50 / CAN-GC2 | Nein |
| GCA127 | LED-Anzeige-Schnittstelle für 8 oder 16 LED's in einem Schaltpult | GCA50 / CAN-GC2 | Nein |
| GCA129 | LED-Anzeige-Schnittstelle für 16 oder 32 LED's in einem Schaltpult | GCA50 / CAN-GC2 | Nein |
Steckfeld/Patch panel (passiver HUB)
| Geräte-Typen-Nr. | Beschreibung | verbunden mit | Als Platine oder Bausatz erhältlich |
|---|---|---|---|
| GCA91 | Steckfeld mit 2 LocoNet-RJ12-Anschlüssen, mit Anzeigen | GCA-LocoNet RJ12-LocoNet | Ja |
| GCA97 | LocoNet-Steckfeld mit 1 x RJ12, 3 x D-SUB-9-Buchse, 3 x D-SUB-9-Stecker, 1 x Stromversorgungs-Anschluß | DC-Versorgung 12-16V GCA-LocoNet | Nein |
| GCA106 | Standard-LocoNet(RJ12) <> GCA-LocoNet(DB9)-Adapter | GCA-LocoNet | Nein |
Booster
| Geräte-Typen-Nr. | Beschreibung | verbunden mit | Als Platine oder Bausatz erhältlich |
|---|---|---|---|
| ORD-3 | Universeller Booster wie Fremo-Spaxbooster oder DDX-Booster | Computer RS232(DDX) RJ12-LocoNet(Spaxb) | Ja |
| ORD-3-RC | Universeller Booster wie Fremo-Spaxbooster oder DDX-Booster aber auch bei Railcom benutzbar | Computer RS232(DDX) RJ12-LocoNet(Spaxb) CDE (Lenz) | Ja |
DDX zu Edits-Booster
| Geräte-Typen-Nr. | Beschreibung | verbunden mit | Als Platine oder Bausatz erhältlich |
|---|---|---|---|
| GCA98 | Schnittstelle für DDX (Rocrail) zum Edits-Booster | Computer(RS232) Nicht für USB Benutzbar! | Nein |
Kehrschleifen-Steuerung
| Geräte-Typen-Nr. | Beschreibung | verbunden mit | Als Platine oder Bausatz erhältlich |
|---|---|---|---|
| GCA102 | Automatische Steuerung für Kehrschleifen Rückmeldung optional an GCA50 / CAN-GC2 / GCA_PI02 | Gleise direkt | Ja |
Universal-LED-Blinker
| Geräte-Typen-Nr. | Beschreibung | verbunden mit | Als Platine oder Bausatz erhältlich |
|---|---|---|---|
| BS-1 | Einheit für realistisches Blinklicht von Polizei und Feuerwehr sowie Warnlicht bei Verkehrsbehinderungen und auch zur Flugsicherung bei hohen Türmen | GCA50 / CAN-GC2 oder eigenständig | Ja |
Eigenständige Steuerung für Servo-Motoren
| Geräte-Typen-Nr. | Beschreibung | verbunden mit | Als Platine oder Bausatz erhältlich |
|---|---|---|---|
| GCA202 | Steuerung für Servo-Motoren mit einstellbarer Geschwindigkeit Benutzbar für extrem geringer Geschwindigkeit | GCA50 / CAN-GC2 / GCA_PI02 oder eigenständig | Ja |
Zeit-/Temperatur-Anzeige für Gebäude
| Geräte-Typen-Nr. | Beschreibung | verbunden mit | Als Platine oder Bausatz erhältlich |
|---|---|---|---|
| GCA118 | Anzeige für GCA119 | GCA119 | Nein |
| GCA118s | Anzeige für GCA119 | GCA119 | Nein |
| GCA119 | Uhr- & Temperatur-Einheit | GCA118/GCA118s | Nein |
Drehscheiben- und Fiddle-Yard-Steuerung
| Geräte-Typen-Nr. | Beschreibung | verbunden mit | Als Platine oder Bausatz erhältlich |
|---|---|---|---|
| GCA145 | Komplette Drehscheiben- und Fiddle-Yard-Steuerung für Schrittmotor-Antrieb | GCA50(0() CAN-GC2 GCA_PI02 WIO_xxx eigenständig | Ja |
| GCA146 | Manuelle Steuerung und Anzeige für GCA145 | GCA145 | Ja |
Motorola-Servo-Dekoder
Dieses Gerät gehört nicht wirklich in diesen Bereich, aber es existiert trotzdem.
| Geräte-Typen-Nr. | Beschreibung | verbunden mit | Als Platine oder Bausatz erhältlich |
|---|---|---|---|
| GCA82 | Motorola-Dekoder für 4 Servomotoren, wirkt wie ein normaler Weichen-Dekoder | Motorola digital | Nein |
Blockdiagram für LocoNet
GCA-LocoNet-Kabel
Anschluß J2 LocoNet DB9-Buchse
Das best geeignete Kabel für diese Verbindung ist CAT5-Ethernet-Kabel.
(z.B. Reichelt 4X2 AWG26/7-10)
| DB9 Pin | LocoNet- Funktion | Drahtfarbe im Ethernetkabel |
|---|---|---|
| 1 | GND | blau + blau/weiß |
| 6 | GND | grün/weiß |
| 2 | Railsync - | orange/weiß |
| 7 | (CANL) | - |
| 3 | LocoNet-Signal | grün |
| 8 | (CANH) | - |
| 4 | Railsync + | orange |
| 9 | +V-Versorgung | braun/weiß |
| 5 | +V-Versorgung | braun |
Zur Vermeidung jeglicher Probleme sollte entsprechend dieser Liste angeschlossen werden.
Ein Wechsel der Draht-Farben kann Fehler verursachen.
Voll beschaltete RS232-Buchse/Stecker-Verlängerungs-Kabel sind zulässig, aber nur bis zu einer gewissen Anzahl. (z.B.: Reichelt AK2300)
Es wurde nie getestet, wie viele möglich sind. Ein paar stören die Kommunikation nicht, sind aber bei weitem nicht in der Lage, die vollen 3A von GCA85 und GCA101 zu transportieren!
Wichtiger Hinweis:
Der Leiterquerschnitt des AK2300 von nur 0,09mm² je Kontakt begrenzt die max. Anzahl bzw. den max. Strom erheblich.
Die Tabelle unten zeigt die Anzahl (x) der kaskadierbaren AK2300 für 0,5, 1, 2 u. 3A max. Strom.
Dabei wird ein Spannungs-Verlust Uv = 2V toleriert und für + u. - werden je 2 Kontakte parallel verwendet.
Werden nur 3 oder 2 Kontakte, anstelle von insgesamt 4 Kontakten, verwendet, reduziert sich die Anzahl (x) der kaskadierbaren AK2300 auf 3/4 oder 1/2 des Tabellen-Wertes.
Anschlusskabel GCA50(0) / CAN-GC2 / GCA_PI02 <> Schnittstellen
PSK Stiftleisten-Verbinder
Wichtiger Hinweis
Einige Benutzer scheinen es besser zu wissen und löten Drähte direkt an die Stifte oder die Platine!
Das ist völlig inakzeptabel
Drähte könne leicht abbrechen und verusachen in vielen Fällen eine Menge Schäden.
Also Steckverbinder verwenden
Um das Herstellen dieser Kabel zu erleichtern, ist es auch möglich, das notwendige Werkzeug zur Erzeugung der PSK-Kabel zu kaufen.
Der beste Draht zur Verwendung mit PSK-Steckverbindern ist 0,25 mm².
Diese spezielle Zange wird zum Nettopreis von € 20 verkauft, wenn sie zusammen mit Komplett-Bausätzen bestellt wird. 
Einfach Peter fragen.
Zwei mögliche Optionen können für diese Verbindung verwendet werden. (Siehe Bild unten)
Option 1 (links im Bild)
Dieses Kabel sollte mit 0,25mm²-Drähten hergestellt werden.
| Anzahl | Bezeichnung | Lieferant |
|---|---|---|
| 2 | PSK254/10W | www.reichelt.de |
| 1 | PSK-Kontakte (Satz mit 20 Stk) | www.reichelt.de |
| 1 | PSK-Crimpzange | www.reichelt.de |
Achtung!:
Drähte sind nicht gekreuzt oder gespiegelt,
d.h. sie sind 1 zu 1, 2 zu 2 usw. verbunden.
Option 2 (rechts im Bild)
Flachkabel 10x2 + Steckverbinder.
Die Seite ohne Nase paßt besser.
| Anzahl | Bezeichnung | Lieferant |
|---|---|---|
| 2 | PFL 20 | www.reichelt.de |
| 1 | Flachkabel AWG 28-20G 3M | www.reichelt.de |
| 1 | Crimpzange MWZ 214 oder Schraubstock | www.reichelt.de |
Achtung!:
Drähte sind nicht gekreuzt oder gespiegelt,
d.h. 1 zu 1, 2 zu 2 usw. verbunden.
Hier werden beide Optionen verwendet
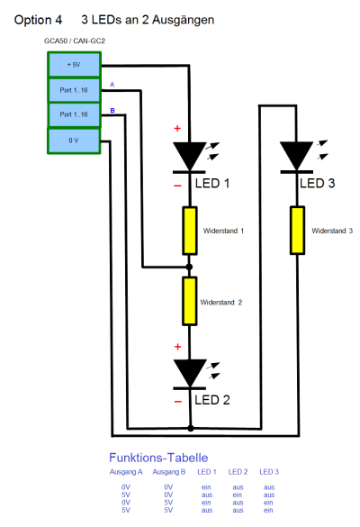
Direkter Anschluss von LEDs
| 1 Epoxyharz Linse 2 Draht Anschluss 3 Reflektor 4 Halbleiter Kristall 5 + 6 ( = 7 ) Basis 8 Flache Seite A Anode B Kathode |
| picure from wikipedia.org/wiki/led |
LEDs können direkt an GCA50 / CAN-GC2 / BS-1 / GCA_PI02 / GCA_LM2 angeschlossen werden.
Es muss aber immer mit jeder LED ein Widerstand in Serie angeschlossen werden.
Wie hoch soll diese Widerstand sein?
Jeder der Ausgangs-Ports der oben genannten Baugruppen schaltet zwischen 0 und 5V.
Schaltet man eine LED in Serie mit einem Widerstand, dann ist der Strom in beiden (LED und Widerstand) gleich.
Hat die LED eine Betriebsspannung von 2V, dann ist die Spannung über dem Widerstand 5V - 2V = 3V.
Folgen wir dam aleten Herrn Ohm, dann ist der Widerstandwert bei z.B. 20mA (=0,02A): 3V / 0,02A = 150Ω.
Verschiedene LED-Farben haben verschiedene Betriebsspannungen, aber niemals mehr als 3,5 V.
Der max. Strom einer LED darf normal bis 20mA (0,02A) betragen, aber das ist wegen zu großer Helligkeit meistens nicht notwendig.
Geht man von einem Strom durch die LED von ca. 10mA aus, dann sollen diese Widerstände verwendet werden:
- LED Rot und Gelb : LED-Spannung ca. 2V ergibt also 3V / 0,01A = ca. 330Ω
- LED Grün,: LED-Spannung ca. 3V ergibt also 2V / 0,01A = ca. 220Ω.
- LED Blau und Weiß : LED-Spannung ca. 3,5V ergibt also 1,5V / 0,01A = ca.150Ω.
Die Widerstandswerte sind nicht sehr kritisch.
Jeder Anschluss des PIC-Chip von Microchip microprocessors kann bis 25mA betrieben werden, aber alle 16 Anschlüsse zusammen sollten nicht mehr als 200mA (=0,2 A) belastet werden.
Wenn jede LED nicht mehr als 10mA erhält, dann wird niemals das Maximum erreicht.
Für den Anschluss der LEDs (und der immer notwendigen Widerstände) gibt es mehrere Optionen:









