arduino:wio-cable-en
WIO CAN Cable
- WIO Overview | WIO Setup | WIO Control | User Bitmaps | WIO Firmware | LEDScript | WIO Mobile | Cable
Screw connector
| AKL | Function | CAT-5 color | Remark |
|---|---|---|---|
| 1 | +12V | brown + green | power supply +12V |
| 2 | CANL | blue/white | CAN |
| 3 | CANH | blue | CAN |
| 4 | GND | brown/white + green/white | GND |
| The Orange/White pair can be used for DCC Booster sync. |
| U/UTP | CAT5 | 1xTP + Power |
|---|---|---|
| | |
| Unshielded UTP cable. | CAT5 cable connection. (Not recommended.) | 1 TP for CAN, separate wires for power supply. |
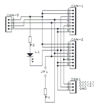
Patch Cable PCB
This small PCB makes it possible to use common patch cables:

It has a screw terminal which can be connected to the AKL connector with 4 short wires (max 100 mm).
An optional CAN bus terminal resistor is also on the PCB, to be activated with JP1.
The three pin header is to provide DCC signal for booster input.
This connector should also be connected at WIO_Prog.
The LED L1, indicates if power is available.
arduino/wio-cable-en.txt · Last modified: 2024/01/14 09:25 by 127.0.0.1






